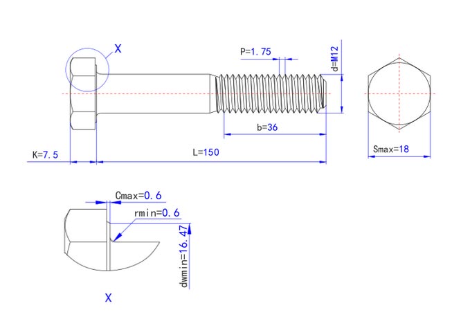
长度:150
牙型:粗牙
材质:
直径:
强度:
表面处理:
品牌:
条码
材质
品牌
品名
规格
表面处理
起订量
价格
详情
操作
共85件商品
1/5
35081501
35
天宝
外六角螺栓
M8*150
发黑(淬火)
0.4千支
会员专属价
图纸
35081504
元立
0.5千支
蓝白锌
35081506
0.15千支
35101501
铂固
M10*150
0.28千支
35101502
哈迪威
0.32千支
35101503
35101505
35101506
宜亨
35101507
35101508
351015011
彩锌
351015044
热浸镀锌
35121501
M12*150
35121502
0.24千支
35121503
0.25千支
35121504
35121508
351215011
351215033