材质:
直径:
长度:
表面处理:
条码
材质
品牌
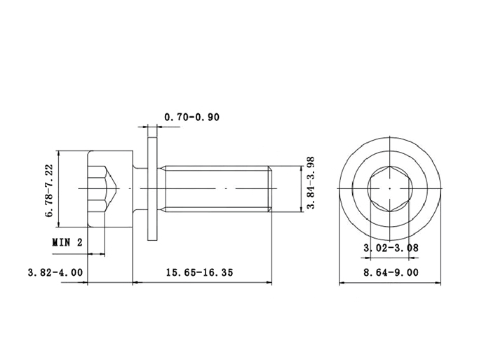
品名
规格
表面处理
起订量
价格
详情
操作
共60件商品
1/3
3040306
304
内六角平垫组合
M3*6
本色
1千支
会员专属价
图纸
3040308
M3*8
3040310
M3*10
3040312
M3*12
3040314
M3*14
3040316
M3*16
3040318
M3*18
3040320
M3*20
3040325
M3*25
3040330
M3*30
3040406
M4*6
0.1千支
3040408
M4*8
3040410
M4*10
3040412
M4*12
3040414
M4*14
3040416
M4*16
3040418
M4*18
3040420
M4*20
3040425
M4*25
3040430
M4*30