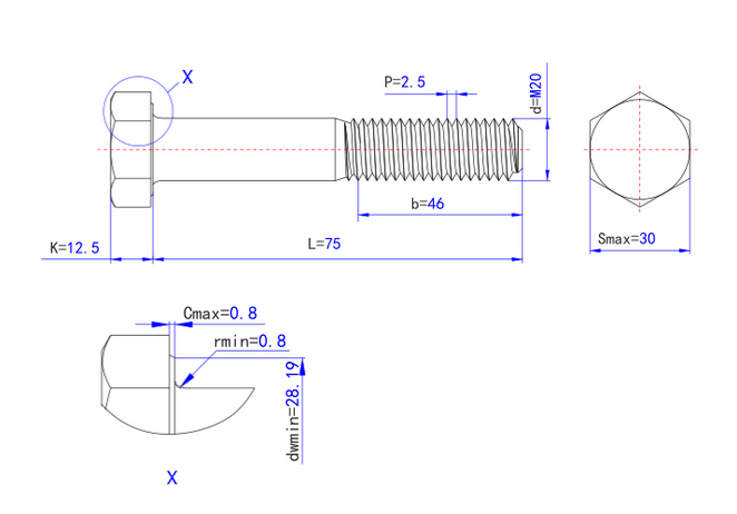
直径:M20
材质:
长度:
强度:
表面处理:
品牌:
牙型:
条码
材质
品牌
品名
规格
表面处理
起订量
价格
详情
操作
共172件商品
5/9
35203001
35
元立
外六角螺栓
M20*300
发黑(淬火)
0.048千支
会员专属价
图纸
35203201
M20*320
0.044千支
3520330
M20*330
0.042千支
35203401
M20*340
35203501
M20*350
0.036千支
35203502
蓝白锌
35203801
M20*380
0.05千支
40cr20601
40Cr
哈迪威
M20*60
0.12千支
40cr20602
九龙
0.18千支
40cr20603
天宝
0.16千支
40cr20651
M20*65
40cr20652
40cr20653
40cr20654
网标
40cr20701
M20*70
0.14千支
40cr20702
40cr20751
M20*75
0.105千支
40cr20752
40cr20753
0.144千支
40cr20754