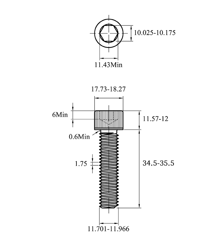
直径:M12
材质:
长度:
表面处理:
条码
材质
品牌
品名
规格
表面处理
起订量
价格
详情
操作
共46件商品
1/3
3041220
304
内六角螺钉
M12*20
本色
0.12千支
会员专属价
图纸
3041222
M12*22
0.1千支
3041225
M12*25
3041230
M12*30
0.09千支
3041235
M12*35
0.08千支
3041240
M12*40
0.07千支
3041245
M12*45
3041250
M12*50
0.06千支
3041255
M12*55
0.05千支
3041260
M12*60
3041265
M12*65
0.045千支
3041270
M12*70
0.04千支
3041275
M12*75
3041280
M12*80
0.035千支
3041285
M12*85
3041290
M12*90
0.03千支
3041295
M12*95
30412100
M12*100
30412110
M12*110
0.02千支
30412120
M12*120