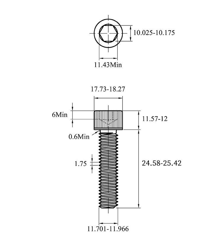
长度:25
材质:
直径:
表面处理:
条码
材质
品牌
品名
规格
表面处理
起订量
价格
详情
操作
共20件商品
1/1
3040225
304
内六角螺钉
M2*25
本色
2.5千支
会员专属价
图纸
30402-525
M2.5*25
2千支
3040325
M3*25
0.33千支
3040425
M4*25
0.2千支
3040525
M5*25
0.4千支
3040625
M6*25
0.45千支
3040825
M8*25
0.25千支
3041025
M10*25
0.15千支
3041225
M12*25
0.1千支
3041425
M14*25
0.07千支
3041625
M16*25
0.05千支
3160325
316
3160425
3160525
0.5千支
3160625
3160825
3161025
3161225
3161425
3161625