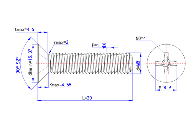
长度:20
材质:
直径:
强度:
表面处理:
品牌:
牙型:
条码
材质
品牌
品名
规格
表面处理
起订量
价格
详情
操作
共20件商品
1/1
3040220
304
十字槽沉头机丝
M2*20
本色
1千支
会员专属价
图纸
30402-520
M2.5*20
0.6千支
3040320
M3*20
1.5千支
3040420
M4*20
3040520
M5*20
0.7千支
3040620
M6*20
0.55千支
3040820
M8*20
0.2千支
3041020
M10*20
3160220
316
31602-520
机螺钉
3160320
3160420
3160520
3160620
0.45千支
3160820
3161020
0.18千支
66pa04201
尼龙66(PA)
博科斯特
十字槽盘头机丝
0.5千支
66pa05201
66pa06201
66pa08201