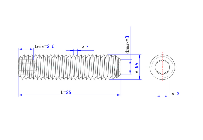
长度:25
表面处理:发黑(淬火)
材质:
直径:
强度:
品牌:
牙型:
条码
材质
品牌
品名
规格
表面处理
起订量
价格
详情
操作
共19件商品
1/1
40cr04251
40Cr
凯标
内六角凹端紧定
M4*25
发黑(淬火)
12千支
会员专属价
图纸
40cr05251
宏展
M5*25
1.5千支
9千支
40cr06251
M6*25
6千支
40cr08251
M8*25
0.6千支
40cr10251
M10*25
2.4千支
40cr12251
M12*25
1.68千支
40cr14251
M14*25
1.2千支
40cr16251
M16*25
0.96千支
40cr18251
M18*25
0.8千支
ml40cr05251
ML40Cr
鹏驰(EG)
1千支
ML40Cr06251
0.5千支
ML40Cr08251
0.2千支
ML40Cr10251
ML40C12251
0.025千支
ml40cr14251
0.1千支
ml40cr16251
ml40cr20251
M20*25
0.05千支
ml40cr24251
M24*25