材质:
直径:
长度:
表面处理:
条码
材质
品牌
品名
规格
表面处理
起订量
价格
详情
操作
共229件商品
2/12
3040414
304
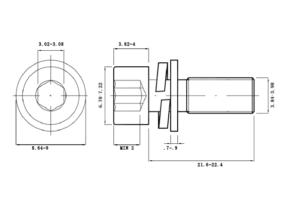
内六角平弹垫组合
M4*14
本色
0.8千支
会员专属价
图纸
3040415
M4*15
3040416
M4*16
0.7千支
3040418
M4*18
3040420
M4*20
0.6千支
3040422
M4*22
0.5千支
3040425
M4*25
3040430
M4*30
0.4千支
3040432
M4*32
3040435
M4*35
0.3千支
3040437
M4*37
3040440
M4*40
0.1千支
3040442
M4*42
3040445
M4*45
3040450
M4*50
3040455
M4*55
3040460
M4*60
3040465
M4*65
3040508
M5*8
3040510
M5*10