材质:
直径:
长度:
强度:
表面处理:
品牌:
牙型:
条码
材质
品牌
品名
规格
表面处理
起订量
价格
详情
操作
共52件商品
2/3
35161401
35
华隆
方头螺栓半牙
M16*140
发黑
0.12千支
会员专属价
图纸
35161501
M16*150
35161601
M16*160
0.105千支
35161801
M16*180
35162001
M16*200
0.09千支
3518801
M18*80
0.15千支
3520701
M20*70
0.14千支
3520801
M20*80
3520901
M20*90
35201001
M20*100
0.1千支
35201101
M20*110
35201201
M20*120
0.08千支
35201301
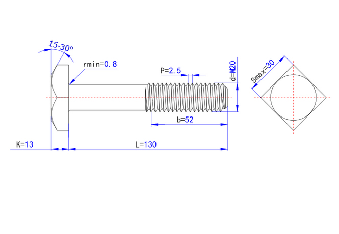
M20*130
35201401
M20*140
35201501
M20*150
35201601
M20*160
0.069千支
35201701
M20*170
0.07千支
35201801
M20*180
0.06千支
35202001
M20*200
3524701
M24*70