材质:
直径:
长度:
表面处理:
条码
材质
品牌
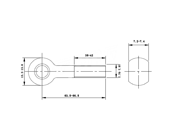
品名
规格
表面处理
起订量
价格
详情
操作
共154件商品
2/8
3040680
304
活节螺栓
M6*80
本色
0.2千支
会员专属价
图纸
3040690
M6*90
30406100
M6*100
3040820
M8*20
0.4千支
3040825
M8*25
3040830
M8*30
0.25千支
3040835
M8*35
3040840
M8*40
0.15千支
3040845
M8*45
3040850
M8*50
3040855
M8*55
3040860
M8*60
3040865
M8*65
3040870
M8*70
3040880
M8*80
0.1千支
3040890
M8*90
0.08千支
30408100
M8*100
0.07千支
30408110
M8*110
0.055千支
30408120
M8*120
30408130
M8*130