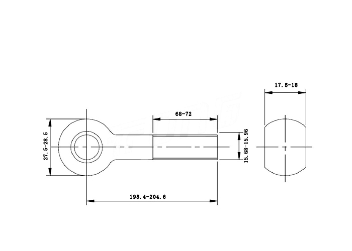
材质:
直径:
长度:
表面处理:
条码
材质
品牌
品名
规格
表面处理
起订量
价格
详情
操作
共154件商品
6/8
30416200
304
活节螺栓
M16*200
本色
0.02千支
会员专属价
图纸
3041870
M18*70
3041880
M18*80
3041890
M18*90
30418100
M18*100
30418110
M18*110
30418120
M18*120
30418130
M18*130
30418140
M18*140
30418150
M18*150
30418160
M18*160
30418170
M18*170
30418180
M18*180
30418190
M18*190
30418200
M18*200
3042070
M20*70
0.015千支
3042080
M20*80
3042090
M20*90
30420100
M20*100
30420110
M20*110
0.01千支